www.radio101.de/thermography/pictures.htm -   see the world with different eyes: Thermographic pictures / Infrared pictures

Thermographic pictures / Infrared pictures





Gallery of
thermographic pictures:

various
thermal images


humans

animals

Thermal imaging
of houses


industrial and
scientific use


Thermography:
home page


 

Thermal imaging: Here some infrared photographs (these pictures were made with a Goratec S160 thermographic camera and an Impac IVN 770P (~ Mikron M7800), ).

bad thermal insulation: Heating / radiator beneath a window radiates warmth to the outer skin of the building - Thermographic picture - infrared photograph Fenster
Example for bad insulation: Heating / radiator
beneath a window radiates warmth to the outer skin of the building
(around the window there is a projection, thus the warmth dams up a bit)

thermal pictures: Heater - thermographic picture - infrared photograph Window
another example of poor thermal insulation:
Radiator under the window

thermography: thermal imaging house photos (click to enlarge)
thermal imaging of a house

thermal imaging: photo of a power plant (click to enlarge)
Weisweiler power plant, Germany
(you can see the steam temperature of 32 deg. centigrade)

thermal imaging house photos (click to enlarge)
Thermal imaging of a house
(notice the thermal loss of chimney wall and windows)

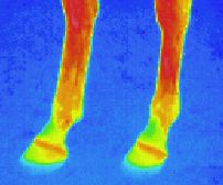
Thermography: heat radiation of a horse
thermal imaging of a horse

thermography / thermal imaging: hot spots on a circuit board
thermal imaging of a circuit board (the hot spots
are in the power supply) - below: identical but another colour scale
thermography: thermal imaging of a circuit board
...our eyes see usually this:
Foto: circuit board heat radiation of a notebook (thermographic foto / thermal picture)
Laptop

AC adaptor of a notebook (thermographic picture)
AC adaptor of a notebook

Sky (thermographic foto / thermal picture)
clouded sky

Salsa dancers (thermography / thermal picture)
Salsa-Tänzer (..more salsa dance pictures: www.salsapictures.com)

salsa dancers (Thermography / thermal picture)
Salsa club in Mönchengladbach, Germany

The multi-colored pictures of thermographic images are generated by software to make even slight temperature differences visible.



hot coffee: Thermography / thermal picture
Heat radiation: Thermografic image of a hot cup of coffee,
shown in two different color scales / variations.
heat radiation of hot coffee (thermography / thermal picture)

Thermography / thermal image: industrial building Thermography / thermal image: tree, plants Thermography / thermal image: stones Thermography / thermal image: refrigerator / deep feeezer Wärmebild / infrared picture Wärmeleck
thermal leak

infrared picture
5l- electric water boiler

Shower, hot water (thermography / thermal picture)
heat radiation of a shower with hot water

Cold water (infrared image / thermographic foto / thermal picture)
cold water running into a bath tub

infrared picture / thermographic / thermal picture
cold water (from left) and hot water(from th right) in plumbing fixtures

DSL-modem (thermal picture / thermografic picture)
heat radiation of a DSL-Modem

powerline + trees thermographic / thermal picture
powerline and trees

humid area in a corner - thermographic / thermal picture
lower temperature caused by a humid corner in a flat

feet - (infrared pictures / thermography of a foot
Feet: the tooth colder than the rest ;o)


picture: pipe on a roof (thermographic image) hot pipe on a cold roof thermographic / thermal picture
warm ventilation pipe on a cold roof (2nd image: 3D-view)

Engine (thermographic / thermal picture) Motor (thermographic foto / thermal picture)
Car (VW Golf 3 Diesel): after 1h driving an 30 minutes parking

more thermographic pictures: move the mouse over the pictures to get more information::

thermographic foto / thermal picture: VW Golf PKW, Motor infrared image: Wärmebild, rotaing furnace / oven steel tank with liquid propane: evaporating propane cools the liquid, so you can see from outside how much is still inside (infrared image) Television Set and videorecorder in use: rising warmth infrared image / thermographic foto / thermal picture: houses in Aachen infrared image / thermographic foto / thermal picture: somebody (that´s me ;o) drinking a cold beverage infrared image, thermography: Budgie; the feathers insulate quite good, so the head region radiates more IR donkey, thermographic picture - infrared photograph ;o) Mehrfamilienhaus: man sieht die Steigleitungen der Heizungen durch die Mauer 'schimmern'- Thermographic picture - infrared photograph: ein Eselchen (..man sieht gut die warme Schnauze und das isolierende Fell ;o) infrared image / thermographic photography / thermal picture: Automotor Wärmebilder: infra red image / thermographic photography / thermal picture: Häuser (im Sommer - Winterimagen kommen ab Dezember) Thermographic picture - infrared photograph of horses feet Fluorescent lamp (warm ends an warm hot ignition coil are visible), infra red image (Wärmebild, thermography)
cooking in the kitchen - infra red image / thermography) Thermographic picture - infrared photograph: hot tiles on a balcony in the summertime, partially shadowed Thermographic picture - infrared photograph: hot tiles on a balcony in the summertime, partially shadowed
Thermographic picture - infrared photograph: House in the summertime Thermographic picture - infrared photograph: Haus im Sommer (in der Scheibe spiegelt sich der wesentlich kältere Himmel, daher wird dort scheinbar eine viel niedrigere Temperatur angezeigt) Window: infrared picture / Wärmebild / Thermografische image
infrared image: wall with and without heat insulation - Thermographic picture - infrared photograph wall with and without heat insulation - Thermographic picture - infrared photograph
Wall with and without heat insulation (same sample, but two colour scales)
More pictures of heat insulation of a house here: www.radio101.de/waermedaemmung

Thermal imaging: Underfloorheating in a bathroom - Thermographic picture - infrared photograph Underfloorheating in a bathroom - Thermographic picture - infrared photograph
Underfloorheating in a bath room

Thermographic picture - infrared photograph: warm foot prints on cold stone tiles, still visible after minutes Thermographic picture - infrared photograph: 1000-Litres - electric boiler with thermal leakage by poor insulation Thermographic picture - infrared photograph des Inn valley near Kufstein / Austria (webcam fotos here: zzz.at/webcams/kufstein - click here)
Thermographic picture - infrared photograph: off-road vehicle Thermographic picture - infrared photograph: off-road car

...more: various pictures / thermal images | Animals | Thermal imaging of houses
industrial + scientific use | Thermography: home page
- in German: Thermographie / Wärmebilder:
Tiere | Häuser (Gebäudethermographie) | Technik + Industrie




thermography colorline (c) salsa.at
No part of these pages (e.g. photographies, texts) may be used, reproduced, copied, modified or stored without prior consent of salsa.at & radio101.de.
Die Bestandteile dieser Webseiten (z.B. Photos, Texte, JAVA- und HTML-codes) sind urheberrechtlich geschützt. Jede Verwendung nur mit Genehmigung von salsa.at und radio101.de gestattet. Alle Angaben ohne Gewähr, es kann keine Garantie für deren Richtigkeit übernommen werden.
Impressum: Radio101 int., 48 Rue des Ecoles, B-4851 Gemmenich / Belgien. Webdesign by salsa.at   - touts droits réservés - all rights reserved.

 

 

 

 

 

 

Thermography and infrared photography : images thermal imaging house photo Thermal Analysis IR Fotos thermographic camera infrared thermography thermographic pictures thermography pictures IR photographies making infrared radiation visible Thermal imaging thermography, Wärmebildkameras | Thermografie: Wärmebildkamera | Thermografie | Thermografiebilder | salsatecas.de | zzz |
kostenloser Zähler - free counter salsa